1. Легкие работы по грейферу бревен, как правило, для прицепа с краном, мини-экскаватора, компактного трактора.
2. Высокая сила захвата. Он может захватывать даже небольшое бревно.
3. Пластина живота, защищающая цилиндр.
4. Смазывается для очень штифта и хорошего внешнего вида.
1. Легкие работы по грейферу бревен, как правило, для прицепа с краном, мини-экскаватора, компактного трактора.
2. Высокая сила захвата. Он может захватывать даже небольшое бревно.
3. Пластина живота, защищающая цилиндр.
4. Смазываемый для чрезвычайного контакта и правильного внешнего вида.
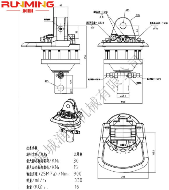
| Модель NO. | ГР-30 |
| Максимальная динамика осевой нагрузки | 15 кн |
| Крутящий момент (25 МПа) | 900нм |
| Номинальное рабочее число | 330 мл/об |
| Вес | 16 кг |
| Транспортный пакет | Деревянная упаковка |
| Товарный знак | РАНМИНГ |
| Происхождение | Шаньдун |
| Производственные мощности | 400 штук / месяц |


Успешно представлен на рассмотрение
Мы свяжемся с вами как можно скорее